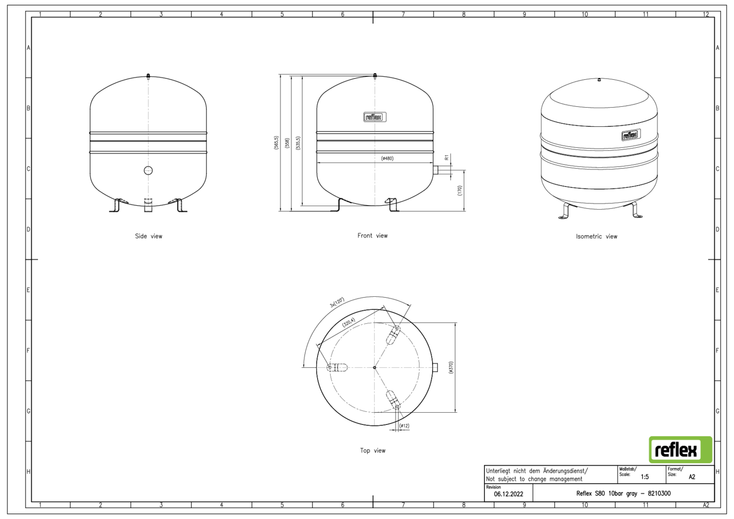
Reflex Membran-Druckausdehnungsgefäß
Reflex S 80, grau, 10 bar